一、变频调速电动机正转控制电路(之一)

(一)、电 路 构 成
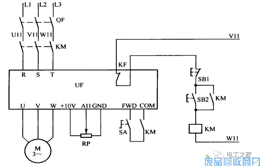
该变频调速电动机正转控制电路由主电路和控制电路等组成。主电路包括自动空气开关QF、交流接触器KM的主触头、变频器内置的AC/DC/AC转换电路以及三相交流电动机M等。控制电路包括控制按钮SA、SB1、SB2,交流接触器KM的线圈和辅助接点以及频率给定电路等。
(二)、电 路 工 作 原 理
在控制电路中,变频器的过热保护接点用KF表示。+10V电压由变频器UF提供;RP为频率给定信号电位器,频率给定信号通过调节其滑动触点得到。
合上电源开关QF,电路输入端得电进人备用状态。按下控制按钮SB2后;电流依次经过V11→KF→SBl→SB2→KM线圈→W11,接触器的线圈得电吸合,它的一组动合接点闭合自锁,另一组动合接点也闭合,为SA按钮操作作好准备。同时,接触器主触头闭合,变频器进入热备用状态。
操作旋转开关SA,闭合FWD(正转控制端子)-COM(公共端)端子,变频器启动运行,电动机工作在变频调速状态。变频器可按厂方设定的参数值运行,也可按用户给定的参数条件运行。REV(反转控制端子)
(三)注 意 事 项
①变频器的接线必须严格按产品上标注的符号对号入座,R、S、T是变频器的电源线输入端,接电源线;U、V、W是变频器的输出端,接交流电动机。一旦将电源进线误接到U、V、W端上,将电动机误接到R、S、T端上,必将引起相间短路而烧坏变频管。
②变频器有一个接地端,用户应将这个端子与大地相接。如果多台变频器一起使用,则每台设备必须分别与大地相接,不得串联后再与大地相接。
③模拟量的控制线所用的屏蔽线,应接到变频器的公共端(COM),但不要接到变频器的地端或大地端。
④控制线不要与主电路的导线交叉,无法回避时可采取垂直交叉方式布线。控制线与主电路的导线的间距应大于100mm。
二、 变频调速电动机正转控制电路(之二)

电路构成:
该变频调速电动机正转控制电路由主电路和控制电路等组成。主电路包括自动空气开关QF、交流接触器KM的主触头、变频器内置的AC/DC/AC转换电路以及三相交流电动机M等组成。控制电路包括控制按钮SBl~SB4、中间继电器KA、交流接触器的线圈和辅助接点以及频率给定电路等。
电路工作原理:
在控制电路中,变频器的过热保护接点用KF表示。+10V电压由变频器提供;RP为频率给定信号电位器,频率给定信号通过调节其滑动触点得到。
控制电路中的接触器与中间继电器之间有连锁关系:一方面,只有在接触器KM动作使变频器接通电源后,中间继电器KA才能动作;另一方面,只有在中间继电器KA断开,电动机减速并停机时,接触器KM才能断开变频器的电源。
图中SB1、SB2用于控制接触器KM的线圈,从而控制变频器的电源通断。按钮开关SB1、SB3用于控制继电器KA,从而控制电动机的启动和停止。当电动机工作过程中出现异常而使接点KF断开时,KM、KA线圈失电,电动机停止运行。
合上电源开关QF,控制电路得电。按下启动按钮SB2后,电流依次经过V11→KF→SBl→SB2→KM线圈→W11,KM线圈得电动作并自锁;KM的接点(201—204)闭合,为中间继电器运行作好准备;KM主触头闭合,主电路进入热备用状态。
按下开关SB4后,电流依次经过V11→KF→KM的接点(201—204)→SB3→SIM→KA线圈→W11,KA线圈得电动作,其接点(205—206)闭合自锁;KA的接点(201—202)闭合,防止操作SB1时断电;KA的接点(FWD--COM)闭合,变频器内置的AC/DC/AC电路工作,电动机M得电运行。
停机时,按下SB3开关,中间继电器KA的线圈失电复位,KA的接点(FWD-COM)断开,变频器内置的AC/DC/AC电路停止工作,电动机M失电停机。同时,KA的接点(201--202)解锁,为KM线圈停止工作作好准备。如果设备暂停使用,就按下开关SB1,KM线圈失电复位,其主触头断开,变频器的R、S、T端脱离电源。如果设备长时间不用,应断开电源开关QF。





























































