一、 概述
传统的锅炉循环泵供水采用的是降压启动和流量阀调节控制,工作于恒工频状态。不但造成能源的巨大浪费,而且也会减少电机和锅炉系统的寿命,甚至会造成设备的损坏。采用变频器和PID控制后的供水既可以实现降压启动又可以无极调速和恒压控制,同时也能够通过现场总线实现远程控制和智能监控。从而节约了电能提高了生产效率。
伊顿公司是一家多元化的工业产品制造商,2005年的销售额达111亿美元。伊顿在许多工业领域都是全球领导者,包括电源质量、电力输配和控制系统及部件;工业设备和移动工程机械以及航空航天所需的液压系统和服务;安全节能的智能化卡车颤动系统;以及帮助汽车工业提升性能、 经济性和安全性的汽车发动机空气管理系统、传动系统和特种控制系统。
伊顿的NXF9000、MVX9000、GVX9000、SLX9000、SVX9000、SPX9000系列变频器,被广泛地应用于空调系统、水/废水处理和其他工业应用(物料传输、挤出机、搅拌机、泵、风机、起重机等等)。
农一师塔里木热电公司位于新疆阿克苏西郊,坐落在美丽的西湖边。2002年3月6日总投资9600万元的阿克苏市集中供热一期工程破土动工,此次共铺设热水管道34公里,建热水交换站一座、换热站18座。到2005年,一期供热管网的13个供热站已不能满足阿克苏东城片区供热需求。2006年热电公司又投资1.4亿元兴建集中供热二期,安装3台100吨(70兆瓦)高温热水锅炉,设15座换热站,建设一次水供热管网7064米,采暖面积可达300万平方米。2008年再安装一台锅炉,并利用原有的锅炉房改造15座热力站,形成一个热站官网系统。

二、 系统配置

Eaton变频器性能特点说明:
1.宽范围的输入电压-15%~10%
2.模块化的设计理念
3.外接的DC+24V电源给控制器供电;内置式3%线路电抗器
4.模拟输入信号范围的选择
5.可编程设置的S形斜坡;三个禁用频率区
6.自动重起;休眠功能
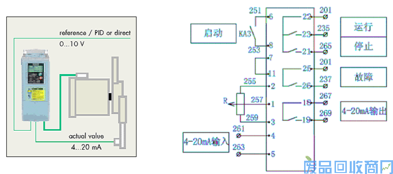
三、 原理图


四、 参数设置
P 2.1.1 Min Frequency 0.00
P 2.1.2 Max Frequency 50.00
P 2.1.3 Accel Time 1 80.0
P 2.1.4 Decel Time 1 80.0
P 2.1.5 Current Limit 920
P 2.4.7 Stop Function 1/Ramping
P 2.6.3 U/f Ratio Select 0/Linear
P 2.6.8 Zero Freq Voltg 0.49
五、 应用效果

0.8转速=48%功率 0.6转速=22%功率 0.4转速=12.5%功率
通过压力变送器,变频器和PID调节器DCS等组成的闭环调节系统,可以根据管道内水压的大小随时调节变频器转速,实现了恒压,在调节过程中电机转速大部分时间低于额定转速,这样可以更显著的节能,节能效果高达48%。同时DCS可以实时监控管道内水的压力及变频器。
互联网技术信息: 沈阳seo ,沈阳网站建设 ,沈阳小程序开发 ,沈阳微信小程序开发 沈阳微信小程序 ,沈阳做网站 , 狼智网络,沈阳狼智网络