标签:智能硬件(330)测试测量(246)单片机(4942)
电子管是一种魅力常在的电子元件,问世几十年后的今天仍然保持顽强的生命力。除了音响类产品中胆机倍受青睐外,电子管在仪器、工业设备和显示终端领域里也有广泛的应用,电视机的显象管就是电子管的一种。了解电子管的技术参数以使其正确和稳定工作,对保证产品的技术精度和质量,是非常重要的。
本文提供一个简单实用的电子管测试装置电路(Tube Tester),适用于DIY发烧友使用。工欲善其事,必先利其器,利用此装置能比较精确地检测电子管的静态工作点、互导和配对特性等,在胆机制作或摩机时就胸有成竹,成功在望。

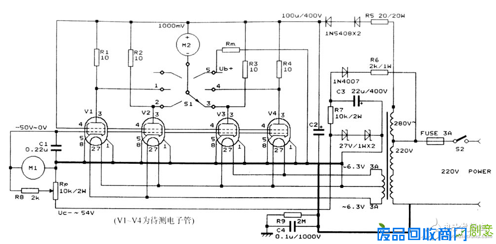
图2中的四个束射四极管就是待测的功率放大电子管。M2是直流毫伏表,它通过测量阳极回路上101l取样电阻的降压来读出各个电子管的阳极电流,满度1000mV相当于100mA的阳极电流。当转换开关位于第5档时,它改为测量阳极工作电压Ub+,可选最大量程为500V,此时量程电阻RM=500×R0。R0是电压表MA 的内阻。按推挽功率放大电路对电子管的基本要求,应该挑选静态工作点和动态跨导S都相同的一对电子管。检测电子管的静态工作点的做法是:按照电路图给定的数值,调整本装置的栅极负压,挑选出静态阳极电流接近的…对电子管;检测管子的跨导S值的做法是:因为S的定义是ΔI/ΔU,即栅压变化1V时,阳极电流的变化的ΔI(毫安值)。在图2中,调节电位器Rp以改变栅极的负偏压,可以得到系列的阳极电流ΔI值,从而求得系列的S值。在这里用直流工作条件测定的S值,与实际音频工作条件下是等效的。
—般常用的八脚功率管(P型,国外称GT型),如EL34(6CA7)、6P3P(6L6G)、 6P6P(6V6—GT)、 KT88、KTl00之类功率五极管和束射四极管,封装管脚的功能都是相同的,因此都通用同一管座,即按图2的电路可通用于大部分八脚功率电子管。而Z类(小7脚和小9脚)和其他三极管类型的电子管的管脚的功能不统一,要测量此类不同的电子管,就要视实际而更改管座。
------------------------------
机器视觉技术资料集锦——让机器视觉产品设计练就慧眼神通!

本装置电路简洁可过目成诵,制作成本低,是胆机DIY们理想的仪器工具。所需的元件仅为一个60VA的电源变压器和几个电子管管座,电路图上的M1、M2两个表头也可省去,改用万用表显示。本装置的直流工作电源由220V市电直接白耦升压取得,目的是节省100W以上的变压器消耗功率。由于直接使用市电,装置操作使用的安全是非常重要的G装置的公共母线不能接金属机壳,必须保证电源的中性线与装置的接地母线连接的可靠。机座的外壳最好也要绝缘。图2只能提供一个固定的阳极工作电压,功能当然有限,但把本设计思想延伸开展,就可以得到更多的用途。

图2 简单实用的电子管测试装置电路
扩展的一例如图3,此电路可提供6种或更多的阳极工作电压,配合栅极电压的变量,能测定详尽的阳极电流一栅极电压特性曲线族及其他曲线族,得到数据之精确比电子管手册更为详尽。图中是使用切换开关来改变阳极工作电压的,也可以使用单相可控硅来实行无级调压。使用此检测装置能令电子管的内在品质昭然若揭,有了这样正本清源的技术曲线资料,安装和调试的工作就驾轻就熟了,卓尔不群的优质胆机将脱颖而出。
本装置还可以对电子管实行老化预置功能。我们知道,由于阴极材料热发射的初始特征,新的电子管在使用之始,性能非常不稳定,参数的漂移大,音频功率放大管的表现使重放的音质不堪入耳。实践证明这种现象要在通电工作十小时以上才慢慢转向改良和稳定。因此我们可利用本装置,模仿电子管实际的静态工作条件,对新电子管进行通电老化,这样能大大缩减胆机生产线产品的调试时间,使产品的技术精度和稳定性得以提高。在合理使用的前提下,电子管的寿命很长,三四十年代的古董收音机今日风韵尚存的例子也不少,但无论多长寿毕竟也是日渐衰老的。实际上各个电子管热丝温度和阴极材料都有一定的差别,故在其工作寿命期间内,各个管的衰老速度是不等的。无论当初调试得如何精密配对,使用日久后的技术指标的差异也会逐渐增大。电子管设备在使用—个长期时段后,可利用本装置对电子管重新检测配对,对维持设备的精度和性能很有好处,能使胆机音响青春常驻。