一、目前拉丝控制的方式目前国产的拉丝设备有大拉丝机、中拉丝机、细拉丝机三类,每一类拉丝机中根据线径的不同又分为不同型号。大拉丝机和中拉丝机目前采用较多的依然是直流调速。但,近年来,随着交流调速技术的飞速发展,尤其是高性能矢量控制变频器的出现,交流调速性能已经接近直流调速的性能,同时,由于交流调速的方便和实用,大拉丝机和中拉丝机目前已经出现变频化的趋势。国产的细拉丝机主要是拷贝台湾版本的细拉丝机,最初采用的是单变频方式,也是目前生产量最大的细拉丝机。由于单变频控制的细拉丝机的滑差量太大,影响后工序---铜线漆包的质量。对铜线要求比较高的场合,这种控制方式往往达不到用户要求。于是双变频控制的、性能优良的细拉丝机逐步占领市场。
目前双变频控制的细拉丝机,主要是采用张力控制板+主驱动变频器+收卷变频器。由于张力控制板只进行张力摆杆的位置控制,在拉丝机的速度到2000m/min左右时,张力板的控制效果就不太理想,张力摆杆不停的在上下摆动。摆杆的上下波动,说明张力控制不稳定,这样,将不可避免地影响细铜线质量,这也是目前众多双变频控制的细拉丝机普遍存在又难以解决的问题。
二、艾默生TD3300张力控制专用变频器功能简介艾默生TD3300系列变频器是在其高性能变频器TD3000系列的基础上,针对张力控制行业推出的一种专用变频器。艾默生TD3300系列变频器整合了绝大多数张力控制器的功能特点,能够取代目前的大部分张力控制器,节省用户投资;其完善的功能,精确的控制,高可靠性,能够满足用户各种要求;同时艾默生变频器优秀的电网适应性和良好的售后服务,解决了用户的后顾之忧。
艾默生TD3300张力专用变频器具备如下专用功能:
1)备TD3000矢量变频器的所有高性能;
2)可实现张力闭环控制和张力开环控制,满足各种卷取控制要求;
3)多种卷径计算功能,满足不同场合;
4)多种线速度测量方式,方便用户选用;
5)可以实现张力锥度的多种方式控制,进一步提高产品质量;
6)具有拉丝机卷绕控制的特殊解决方案;
三、张力变频器TD3300在蓉胜公司的应用广东蓉胜超微线材股份有限公司是目前亚洲最大的超微线生产基地。目前该厂有单变频细拉丝机、双变频细拉丝机300多台,由于中国经济的蓬勃发展,目前的产能已经明显不能满足市场的需求。为了进一步扩大产能,广东蓉胜超微线材股份有限公司决定自主生产300台不同型号的双变频控制的细拉丝机。
由于艾默生公司TD3300张力专用变频器基本具备数种张力解决方案,广东蓉胜公司决定采用艾默生公司的TD3300系列变频器作为细拉丝机的收卷驱动部分,由于主驱动部分对变频器没有特殊要求,选用艾默生公司TD1000与TD2000系列通用变频器作为系统的主驱动部分。
另外,TD3300由于具备两组PID参数可以设定,使两组PID参数按照一定的函数关系随着卷径变化改变参数,完全克服了大卷径响应慢,小卷径振荡的问题。这是因为大卷径时,惯量会大大增加,需要更快的响应速度,而小卷径的时候,参数过大则容易出现振荡。
同时,TD3300系列变频器具备断线(带)自动检测功能,用户完全可以不用安装断线开关(或接近开关),缩短了生产周期,同时节约了成本。
广东蓉胜公司通过对深圳市兴合实业有限公司以往在拉丝行业生产的控制系统进一步考察,决定:控制系统由艾默生能源系统有限公司变频器代理商---深圳市兴合实业有限公司与广东蓉胜公司共同开发(增加蓉胜公司特有功能),机架由广东蓉胜公司生产。
24模细拉丝机工作简图:

图1:24模细拉丝机工作简图
四、双变频控制细拉丝机控制原理及接线图 
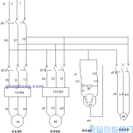
图2:拉丝机工作主电路

图3:主驱动变频器与收卷变频器接线图

图4:PLC接线图
控制方案:张力闭环控制的速度模式:
v=v1×(D0/D)+Δv
由带(线)材的线速度和卷筒的卷径实时计算出同步速度v1×(D0/D),然后通过张力检测装置反馈的张力信号与张力设定值构成PID闭环,调整变频器的频率指令。
v为卷曲给定速度;v1为主机实际输出的线速度,利用主驱动变频
器的模拟输出按空卷时对应的比例取得;D0为空筒卷径;D为实际卷径;Δυ为过程PID的输出量,由变频器内置PID实现,反馈信号为张力摆杆(电位器)的输出。
系统控制要求:
主驱动用艾默生TD1000系列通用变频器,采用模拟电压给定速度的方式,加减速度时间设定均为50~70S,加减速度方式为S曲线加减速度。卷绕部分采用TD3300系列张力专用变频器驱动,要求铜线上张力恒定,张力摆杆保持在恒定位置,不能有明显的波动。
控制难点:
1)末级铜线极细(0.02~0.05mm;0.05~0.1mm),极易拉断,卷满铜线的卷筒很重,转动惯量很大。广东蓉胜公司的卷筒比目前市场上普遍采用的卷筒直径还要大,满卷时,卷筒惯量明显高于其他公司。所以对系统的快速响应要求非常高。既要快速跟踪主驱动的速度变化,又要调节线上张力恒定,还不能有明显的抖动。
2)要求启动时要缓缓平稳启动;正常停机时,同步要保持一致,而且不能断线。
3)主驱动部分与收卷部分的滑差控制在0.1%以内。
五、系统调试注意事项1)线速度的同步。细拉丝机的工作速度非常快(2000m/m),仅仅依靠PID调节来控制,作用非常有限。采用艾默生TD3300变频器的张力闭环速度模式,这种控制方式要求主拉引电机的线速度与收卷电机在空卷时刻(此时转速最高)基本保持一致。这样可以大大减少PID的调节量,对系统的高速稳定非常有利。
2)张力摆杆的问题。对于拉丝机的使用厂家来说,对配重的理解仅仅认为配重可以改变收线的松紧程度,对控制的影响认识不足。但是,当张力摆杆上配重比较轻时,开机的时候因为摆杆在下限位置,此时主给定与PID共同作用使卷绕电机加速,铜丝张紧,摆杆上移比较快,移动到平衡位置以上时,PID 运算的结果使得卷绕电机减速,摆杆又下坠。这样在启动过程中,摆杆将不易平衡。合适的配重对系统的正常运行是极其重要的。而且生产不同的产品时,要移动配重到合适的位置,以保证合适的张力。
3)收卷变频器的加减速。TD3300变频器的加减速度时间设置的较小为好,最好不要大于3S,而且要配置刹车电阻。如果卷筒变化率比较小的话(满卷与空卷比小于1.2),也可以不加刹车电阻,但要适当延长加减速时间。
4)关于PID。TD3300内置两套PID参数,两组PID参数按照一定的函数随着卷径变化改变数,可以克服了大卷径响应慢,小卷径振荡的问题 。调试时,首先在空卷状态下调试第一套PID参数,将第二套PID参数与第一套PID参数设置一致。第一套PID调试完成后调试第二套PID参数。调整第二套PID参数时,必须等卷筒接近满卷时调试,直到满卷时摆杆很稳定为止。
六、结束语:通过我司首期100余套的生产运行,达到了非常好的效果:
1,启动非常平稳。完全摆脱了启动时需要人工扶摆杆的现象。
2,0.02~0.05mm铜线的线速度可以达到1200~1500m/min,0.05~0.1mm铜线的线速度可以达到2500 m/min(主要受机械传动的影响,否则可以速度进一步提高)。
3,张力摆杆非常平稳,几乎达到纹丝不动状态。
4,拉丝过程中,滑差可以控制在0.1%以内。
5,在生产过程中,可以任意直接停机、启动而不断线,适用于生产过程的不同要求。
6,自动检测断线,缩短生产周期和制造成本。
从运行情况来看,总体效果非常理想,在拉丝行业或类似的张力控制行业,TD3300具有很好的推广价值。
附录:1、主驱动TD1000变频器参数:

注:其余参数同手册TD1000出厂值
2,收线TD3300变频器的参数:


注:其余参数同手册TD3300出厂值