功率范围:5.5KW-45KW
6.1、无需配置PLC或供水控制器,即可实现多种常用供水专用功能。
6.2、内置PID调节器,只需外配一只压传感器,即可方便地组成闭环控制系统。
6.3、 UP/DWN端子控制功能,使用电接点压力表也可方便地组成闭环控制系统。
6.4、多种工作模式选择,可灵活配置常规泵、休眠泵、排污泵、消防泵,最多可实现7台泵固定变频控制。
6.5、零流量停机节能功能,在用户不用水的情况下可自动停机。
6.6、每日可设定最多6段压力运行,以适应供水压力的变化需求。
6.7、内置多种模式消防功能,火警时系统自动启动消防泵。
6.8、端子功能及说明如下:
TLC | H/A | H2 | H4 | +24 | COM | DWN | FIR | WL | PWL | CCI | +10V | GND | RXD | -485 | ||||||||||||||
| RUN | H1 | H3 | +24 | COM | UP | OP | WH | PWH | FM | VCI | GND | +5V | TXD | +485 |
| ||||||||||||
控制端子说明
端子 | 功能说明 |
H/A-COM | 手动软起动/自动运行方式选择输入。闭合时为手动方式,断开时为自动方式。注意:仅在F0-040=1、2、3时使用该端子功能。在运行中改变该端子的状态是无效的。 |
H1-COM H2-COM H3-COM H4-COM | 四个手动信号输入。在手动软起动运行方式下,该信号控制相应的电机变频软启动然后切换到工频运行。 H1控制M1电机,H2控制M2电机,H3控制M3电机,H4控制M4电机。 只有既能工频运行又能变频运行的电机,才能根据此投切频率进行手动软起动。请参考F0-041参数说明。 注意:在H1控制的软起动完成后,断开H1-COM,将停止M1电机的工频输入。H2、H3和H4也有一样的功能。 |
UP-COM DWN-COM | 频率增加输入和频率减小输入。仅在F0-040=2时有效。 UP-COM闭合时,变频器输出频率增加;断开时,输出频率保持断开前的频率。 DWN-COM闭合时,变频器输出频率减小;断开时,输出频率保持断开前的频率。 UP-COM和DWN-COM的组合可以构成简单的闭环控制系统。 |
WH-COM WL-COM | 进水池上线水位检测输入和进水池下线水位检测输入。 参考F0-086功能说明。 |
PWH-COM PWL-COM | 污水池上线水位检测输入和污水池下线水位检测输入。 参考F0-087功能说明。 |
FIR-COM | 消防信号输入。有消防信号输入时,将工作在消防状态。参考F0-067功能说明。 |
OP-COM | 管道超压信号输入。 |
RUN-COM TLC-COM | 端子运行信号输入和三线运行信号输入。 参考F0-085功能说明。 |
+24-COM | 直流+24V电源输出。 |
+10V-GND | 直流+10V电源输出。 |
VCI-GND | 模拟电压输入。范围为0-10V。 |
CCI-GND | 模拟电压/电流输入(通过跳线JP3选择)。范围为0-10V或0-20mA。 |
FM-GND | 压力/频率显示输出。范围为0-10V或0-20mA(通过跳线JP4选择)。参考F0-088和F0-089功能说明。 |
+5V | 5伏电源正端 |
TXD | RS232发送数据线 |
RXD | RS232接收数据线 |
GND | 5伏电源地端 |
-485 | RS485信号负端 |
+485 | RS485信号正端 |
跳线功能及设置说明
跳线名称 | 功能及设置说明 | 出厂缺省设置 |
JP2 | 串行通讯口选择。232:选择RS232通讯口;485:选择RS485通讯口。 | RS232 |
JP3 | CCI输入方式选择。0-10V:CCI输入为0-10V;0-20mA:CCI输入为或0-20mA。 | 0-10V |
JP4 | FM输出方式选择。0-10V:FM输出为0-10V;0-20mA:FN输出为或0-20mA。 | 0-10V |
端子 | 功能说明 |
Y1-HP1 | M1电机变频运行接触器控制。实现M1电机的变频运行控制。 |
Y2-HP2 | M1电机工频运行接触器控制。实现M1电机的工频运行(电网直接供电)控制。 |
Y3-YH3 |
继电器触点输出端子。用来驱动外部的电磁开关。可编程实现常规泵、消防泵、排污泵和休眠泵的电机控制。参考F0-049到F0-054的参数说明。 |
Y4-YH4 | |
Y5-YH5 | |
Y6-YH6 | |
Y7-YH7 | |
Y8-YH8 | |
FOPA-CFOP | 管道超压/欠压报警信号输出端子。发生管道超压/欠压时,该触点闭合, |
FORA-CFOR | 火警/水池缺水报警信号输出端子。发生火警/水池缺水时,该触点闭合。 |
MB-MC | 变频器故障报警信号输出端子。发生变频输出故障时,该触点闭合。 |
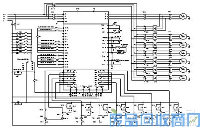
6.9、控制方式及接线图如下:

图6.1
变频固定方式(闭环功能选择:F0-040=1;F0-041=0或4)
典型应用:5台常规泵+1台排污泵+1台休眠泵
M1为变频水泵;M2~M5为工频水泵;M6为排污泵;M7为休眠泵;
基本功能码设定:F0-000=1; F0-017=4; F0-085=1;
反馈与给定通道选择:F0-069=2; F0-071=1;
常规泵设置:F0-049~F0-052=0;
排污泵设置;F0-053=2; F0-087=1;
休眠泵设置;F0-054=3; F0-065=1

图6.2
变频循环方式1(闭环功能选择:F0-040=1;F0-041=1或5)
典型应用:2台常规泵+2台消防泵+1台排污泵+1台休眠泵
M1、M2为变频水泵;M3、M4为消防泵;M5为排污泵;M6为休眠泵;
基本功能码设定:F0-000=1; F0-017=4; F0-085=1;
反馈与给定通道选择:F0-069=2; F0-071=1;
消防泵设置:F0-051~F0-052=1;
排污泵设置;F0-053=2; F0-087=1;
休眠泵设置;F0-054=3; F0-065=1;
图6.3
变频循环方式2(闭环功能选择:F0-040=1;F0-041=2或6)
典型应用:3台常规泵+1台消防泵+1台排污泵M1~M3为变频水泵;M4为消防泵;M5为排污泵;
基本功能码设定:F0-000=1; F0-017=4; F0-085=1;
反馈与给定通道选择:F0-069=2; F0-071=1;
消防泵设置:F0-053=1;
排污泵设置;F0-054=2; F0-087=1;

图6.4
变频循环方式3(闭环功能选择:F0-040=1;F0-041=3或7)
典型应用:4台常规泵M1~M4为变频水泵;
基本功能码设定:F0-000=1; F0-017=4; F0-085=1;
反馈与给定通道选择:F0-069=2; F0-071=1;