离心射流真空泵
用于汽轮机凝汽器抽真空系统的节能改造
一、 电厂真空系统
火力发电厂汽轮机凝汽器真空, 除凝汽器本身热交换以外还使用抽气器抽出空气来维持。当汽轮机冲转前,凝汽器必须建立相应的真空度以满足冲转条件。射流式抽气器是抽真空的设备之一,其优点是:启动速度快、运行可靠、非旋转式设备、维护工作量少、设备价格低廉。我国电站中绝大多数使用此设备。根据工作介质的不同,可分为射水和射汽抽气器。

射汽抽气器工作介质为蒸汽,其喷嘴前蒸汽压力小于锅炉出口蒸汽压力,以保证当锅炉压力波动时射汽抽汽器仍能正常工作。汽轮机凝汽器抽真空系统由一台或者两台启动抽汽器配一台或者两台主抽汽器组成。
射水抽气器由专用水泵供给工作介质, 抽吸同样的干空气量。射水抽气器要求水的流速很高, 管阻必然很大, 因此, 射水抽气器的效率仍然较低。射水抽气装置包括水池、离心泵、射水抽气器及其管道, 其布置空间通常从汽机厂房零米到运转平台, 所占空间大。
单机容量在200MW以下机组, 射汽抽气器与射水抽气器均有采用。随着引进型300MW的机组在我国广泛使用,水环式真空泵成为汽轮机凝汽器抽真空的主要装备,水环式真空泵具有占地小、抽气量大、用水量少等优点,被电厂广泛使用。目前在国内300 MW 及以上机组均采用水环式真空泵作为凝汽器抽真空设备, 在200 MW 、50 MW 等中小型机组也有采用。

电厂对真空系统的要求:安全+节能,而水环真空泵在这两方面存在的问题:
安全方面,水环真空泵设备的内部机械性能(如裂纹问题)受汽蚀现象影响较大,长时间运行易导致叶片的断裂,威胁机组的安全运行。
节能方面,选型裕量偏大,把建立真空的真空泵用作维持真空将耗费较多能量。同时,水环真空泵工作液的设计温度为15℃,而电厂循环水设计温度为20℃,同时由于抽吸的气/汽混合物温度较高,会加热工作液,因此水环泵处于偏离设计工况运行。夏季高温时,水环真空泵性能、出力急剧下降,可能导致凝汽器真空下降,造成机组经济性降低。
二、 现有改造方案
研究对凝汽器抽真空系统进行改造成为汽轮机工作者的一个课题。由于各制造厂的研发思路不同,开发出来的设备和系统也完全不同,主要有如下方案:
◆方案一:对原水环真空泵换型。采用双吸水环真空泵代替单吸单作用水环真空泵。价格在每改一台50万元左右。优点:配用电动机从160KW降到110KW。水环真空泵存在的安全问题只能改善但是没有解决。为了解决夏季工况循环水温度高水环真空泵效率下降造成两台泵同时运行的问题,有的厂加装一套空调装置用空调水冷却水环真空泵的工作液,因此增加了电耗。
◆方案二:水环真空泵系统不变,加装罗茨风机组。价格为每加装一台罗茨风机为60万元左右。水环真空泵与罗茨风机组并联运行,机组启动时用水环真空泵,正常运行时使用罗茨风机组运行,运行电流降下来,但是罗茨风机组由罗茨风机和另外一台小水环真空泵组成,这样不仅系统复杂而且水环真空泵存在的弊病和问题没有解决,同时罗茨风机不能用于机组启动和事故处理。
◆方案三:采用离心射流真空泵与水环真空泵并联运行的抽真空系统对原抽真空系统进行节能降耗改造。当机组启动时采用水环真空泵,正常运行时采用离心射流真空泵,使原真空系统功率由160 kW降低到45 kW,节电率70%以上;真空度高:可使凝汽器的抽真空系统不受电厂循环水温度变化的影响,凝汽器始终处于最佳状态;当水环真空泵的工作水温度在20℃左右时,离心射流真空泵与水环真空泵的抽吸效率相当;当水环真空泵的工作水温度高于30℃时,离心射流真空泵的抽吸效率远高于水环真空泵的抽吸效率;噪声小:噪声在A级(<La=75Db);由于抽取凝汽器的汽水混合物不经过泵体,所以不存在汽蚀的问题。该方案的缺点是存在机组启动时使用水环真空泵耗费厂用电。
◆方案四:采用离心射流真空泵配射汽抽汽器组成的抽真空系统对原抽真空系统进行节能降耗改造。当电厂水环真空泵需要彻底淘汰时可以采用:以离心射流真空泵主体配有启动抽汽器的抽真空系统,该系统的主要特点是:具备方案三的所有优点同时是“电改汽”节约厂用电。一体式制造:设备统结构简单,无汽蚀,可靠性得到提升,一个大修周期仅需维护一次;操作简单:启/停控制系统可实现就地控制和DCS控制。该方案机组启动时用汽(600kg/h),不用电。
从比较可以看出:武汉武泵泵业制造有限公司提出的方案三、方案四解决了水环真空泵存在的的弊病和问题满足机组在各种工况下运行,达到长期安全经济运行的目的。
三、 基于离心射流真空泵的凝汽器真空系统改造方案
离心射流真空泵主要由混合室、喷射管、叶轮、分配器和水室等几部分组成,如图3所示,图中,混合室6、喷射管7、叶轮分配器8、弯刀型叶轮9、方形导叶10、叶片11,其中,喷射管7由收缩段7-1、平直段7-2和扩散段7-3三部分组成。该泵具有较好的吸气性能。这是由于脉冲射流具有的惯性力提高了射流泵工作压力,提高了吸气能力;脉冲射流在吸入室内挟带气体的方式有两种:1.流体之间的粘性作用,2.从喷嘴射出的脉冲射流是不连续的,不连续的射流流束之间的间隙起了一般容积式泵抽气的作用。
目前已取得离心射流真空泵及相关节能改造方案的多项专利。



国网湖北省电力公司电力科学研究院性能试验报告中评价:“通过在国电长源第一发电公司#12机组满负荷工况下变真空抽气性能测,与水环真空泵以及其他抽真空的产品装置相比,WSA170-35离心射流真空泵具有功耗小,抽气效率高,极限压力低,无汽蚀,噪音低,结构简单,运行稳定可靠,维修方便,环境适应性好等优点,在机组正常运行情况下完全可以替代水环真空泵等现有抽真空装置,可广泛应用于火力发电厂现有机组的节能改造。”

根据电厂的实际情况选择合适的离心射流真空泵及其供水方式技术方案,为此我们提出三个方案叙述如下:
方案一:以电厂循环水供水方式作为离心射流真空泵的工作水供水方式:即采用压力为1 kg/cm2以上的电厂循环水直接进入离心射流真空泵入口,抽吸后的汽水混合物直接排入地沟。这种选用方式优点为:系统简单,运行操作方便,安装占地面积小,但是由于不回收工作水,使其耗水量较大,为178 m3/h,适用于水源丰富地区和循环水出水压力低汽水混合物中的汽能够释放出来。图中启动射汽抽汽器可改为水环真空泵。华能太仓电厂,宜昌东阳光电厂,湖北汉川电厂均选用此方案。

方案二:当电厂的循环水是采用二次循环的供水方式,离心射流真空泵入口可以制一个水池,离心射流真空泵能够自吸水循环。这种循环将水池中的水循环使用,耗水量小,启泵时需要用压力水建立虹吸后,再利用水池的水循环使用,其优点是在水资源紧张的地区能起到节水的作用,缺点是需要建设水池或者零米以上建立水箱,因此占地面积大投资成本高。循环水供水方式为一次循环的电厂也可以采用这种方案。启动射汽抽汽器改为水环真空泵。国电长源第一发电有限公(青山电厂),山东龙口电厂选用此方案。

方案三:电厂的循环水作为冷却水,离心射流真空泵的抽空气系统可以采用装有汽水分离器的闭式循环,将WSA170-50泵和汽水分离器组装在一起,在汽水分离器的汽侧将离心射流真空泵的出口汽水混合物排入汽水分离器的顶部,汽水分离器底部除盐水连离心射流真空泵的入口,并在汽水分离器中分离出来的空气直接排出。汽水分离器水侧冷却水来自电厂循环水。该系统具有抽气量大,噪音震动极小,占地面积小,安装快捷等优点。循环水供水方式为一次循环的电厂也可以采用这种方案。北仑电厂660MW,沈阳热电330MW,双辽电厂330MW,湖北荆门600MW,均选用此方案。


四、 经济分析
1.单台330 MW机组计算依据;
(1)离心射流真空泵配套电机37~55(kW),水环真空泵配套电机160(kW),配套电机功率下降105~123(kW),配套电机功率下降按105(kW)计算;
(2)机组真空提高提高真空0.3~0.5KPa,机组真空提高提高真空按0.3KPa计算,真空每提高1kPa对应煤耗降低按3.0 g/kWh(供电1降低0.9 g/kWh)计算;发电利用小时按照4000小时计算;
(3)标煤价格按照500元/吨计算(煤价现在远高于这个价格);
(4)每度电耗煤量按330g/kWh计算;
(5)每燃烧1吨标准煤产生二氧化碳2.5吨。
2.离心射流真空系统节约费用
(1)真空提高0.3kPa,供电煤耗下降,电煤消耗节约:
(330MW×103)×4000小时×(0.3 kPa×3.0g/kWh/kPa×10-6)×500元/吨=594000.00 元(即59.4万元);
(2)水环真空泵消除汽蚀后,设备维护费和备件成本费每年节约:
单台真空泵约10万(含人工及维护费用);
(3)电耗节约:
(105 kW)×1台×2500×0.5元/kWh=131250元即13.1万元
单台330MW机组每年总节约成本:(按电厂机组和发电量计算修改)
594000+131250+100000=825250元(即82.25万)。
3.在夏季工况下,水环真空泵效率下降,为了维持汽轮机真空往往开两台水环真空泵运行,相对离心射流真空泵如果液开两台,节约210(kW),如果只开一台,节约365(kW),这一部分没有明确的计量因此没有计算进去.
4.由于一体式制造,提升可靠性,一个大修周期仅需维护一次。由于本系统结构简单,无汽蚀,维护方便。改造项目投资一般不超过2年就能收回,而且质保期为五年。
五、 应用实绩
目前已有湖北青山电厂、天津大港电厂等十余台机组采用离心射流技术进行了改造。
合作单位 | 机组容量 | 合作时间 |
湖北青山电厂 | 330 MW | 2014年 |
天津大港电厂 | 320 MW | 2015年 |
江苏太仓电厂 | 300 MW | 2016年 |
山东龙口电厂 | 220 MW | 2016年 |
华能苏州工业区 | 330 MW | 2016年 |
宜昌东阳光 | 330 MW | 2017年 |
国电沈阳热电 | 330 MW | 2017年 |
辽宁双辽电厂 | 300 MW | 2018年 |
湖北汉川电厂 | 300 MW | 2018年 |
主要介绍几个典型改造项目:
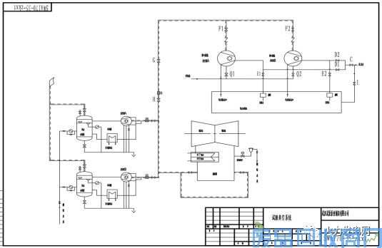
1、国电长源青山第一发电有限公司:#12机组:系统图如下

该厂为离心射流真空泵试验机组,安装有两台WSA170-35离心射流真空泵,配有一个由废弃的疏水膨胀箱改造的水池,以及热控电气设备。
2014年4月22日离心式真空泵试运行记录:4月22日与武汉武泵泵业人员对于#12机A、B两台离心式真空泵进行试运。 试运前#12机电负荷202MW,水环式真空泵运行电流147A,机组真空97.03KPa。10:20启动A离心式射流真空泵运行电流A相65A、B相67A、C相62A。机组真空由97.3KPa 上升至97.6KPa。10:30启动B离心式射流真空泵电流A相64A、B相65A、C相66A。机组真空97.6KPa。一台水环式真空泵和两台离心式射流真空泵同时运行。10:35关闭水环式真空泵入口空气门,机组真空97.6KPa。10:56停水环式真空泵运行真空无变化。关闭B离心式射流真空泵入口空气门,机组真空97.6KPa。11:06停B离心式射流真空泵运行,此时A离心射流真空泵单泵运行。14:46启动B离心式射流真空泵运行电流A相64A、B相65A、C相66A,停A离心式射流真空泵运行,此时B离心射流真空泵单泵运行。15:31启动射流A水环式真空泵运行,停B离心式射流真空泵运行,机组真空97.3KPa。

2、华能(苏州工业区)发电有限公司
华能(苏州工业区)发电有限公司机组循环水为一次循环,离心射流真空泵选用WSA170-35型,离心射流真空泵采用循环水为工作水,用循环水泵出口管压力水作为离心射流真空泵的入水,离心射流真空泵的出水接循环水的排水,在离心射流真空泵入口前装有可以互为切换的滤水器。系统图如下:

华能(苏州工业区)发电有限公司与武汉武泵泵业有限公司签署合同后2016年7月15日交货,安装完成后于当年安装完成后于当年11月23日第一次启动运行,当时机组负荷270MW,凝汽器真空96.7Kpa,电动机电流59A。效果明显电厂十分满意,同年12月份签订第二台供货合同。该泵从第一次启动运行后随机组运行一年,2017年11月份安装、调试完成。


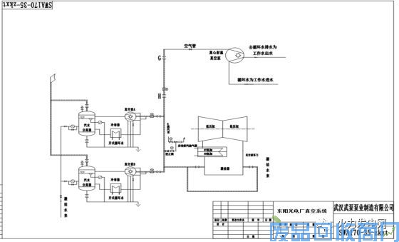
3、宜昌东阳光火力发电有限公司:
宜昌东阳光火力发电有限公司离心射流真空泵采用循环水为工作水,用循环水泵出口管压力水作为离心射流真空泵的入水,离心射流真空泵的出水接地沟的排水,在离心射流真空泵入口前装有滤水器。与华能(苏州工业区)发电有限公司的区别是宜昌东阳光火力发电有限公司选用WSA170-45离心射流真空泵。系统图如下:

宜昌东阳光火力发电有限公司与武汉武泵泵业有限公司签署合同后2017年5月交货,安装完成后于当年10月16日第一次启动运行,当时机组负荷230MW,凝汽器真空95.3Kpa,电动机电流63A。连续运行三个月(3000多小时)效果明显电厂十分满意,同年12月份签订第二台供货合同。



六、 工程实施与服务
1、工程规模和费用
待双方技术人员研究决定实施方案决定后作出详细预算。
2、项目实施进度计划
在合同签订后2个月内完成设计和设备制造;在检修期内完成安装调试工作(约10天)
主要内容
(1)安装前的工作
①确认离心射流真空泵、启动射汽抽汽器的安装位置,确保安装位置满足设备运行要求;
②检查设备及安装辅材,现场是否具备开工条件。
(2)设备安装
①两台离心射流真空泵现场就位;
②启动射汽抽汽器现场就位(如果选取);
③所有控制阀门的开关试验;
④喷射透平入口、出口管道阀门的安装;
⑤冷却水、凝结水、出口管道阀门的安装;
⑥所有热控仪表的校验及安装;
⑦将凝汽母管截断,安装自动和手动旁路;
⑧凝汽母管与喷射真空泵入口阀门的管道连接;
(3)热控设备的电缆敷设
①所有与DCS控制有关的阀门动力电源电缆和控制电缆的敷设;
②所有控制和监测仪表的信号电缆附设;
③DCS组态,真空系统的控制逻辑描述,DCS组态人员进行投入/切除的顺控逻辑、自动切除控制逻辑的组态工作。同时热控技术人员需做专门的DCS画面并能通过该画面进行蒸汽喷射真空系统的投入/切除控制和系统相关参数的监视。
3、质量保证
可保证机组连续运行5年、包维护,免费提供备品备件,6年大修1次。
七、 公司简介
武汉武泵泵业制造有限公司经过十余年发展已成为一家集研发、设计、制造、服务为一体的高科技型创新企业,具有自主知识产(发明专利: ZL20130040062.0)的WSA170系列离心射流真空泵被载入武汉市节能产品目录,针对电厂循环水供水方式开发了多套技术解决方案,已广泛应用于沈阳、天津、山东、江苏、江西、湖北等地区凝汽器节能技术改造工程,在汽轮机的真空系统改造中发挥了重要作用,为用户获得较大经济收益。公司于2017年获得高新技术企业的称号。
通讯地址:武汉市汉阳区汉阳大道五里汉城9栋5单元102室
邮箱:wbby863@163.com
技术咨询:13807156427
总机:027-84847724
网址:www.whwbby.cn
本产品一级代理商:
武汉努赛尔节能环保科技有限公司
专业从事节能环保服务领域的科技公司,擅长于汽轮机冷端优化节能及相关改造技术,现有业务包括离心射流真空系统、电水联产技术等节能设备的研发及产业化。现有研发团队5人,全部具有博士学位。
地址:武汉市东湖新技术开发区武大园8号武大科技园一号楼
电话:15071344052
Email:xlyang@whu.edu.cn