
☞ 这是金属加工(mw1950pub)发布的第8751篇文章
导读
针对某工业汽缸内部结构“口小肚子大”、加工空间小且轴承档内各尺寸精度要求高的问题,在组焊工件时,以搭焊的定位基准来保证焊接后的同轴度偏差,在车削时采取合适的加工方法及刀具,避免车刀干涉,保证内孔和沟槽的加工精度,为同类型汽缸的加工积累了经验。
1. 工件结构
G008工业汽轮机为我公司设计的第二款工业汽轮机,此台工业汽轮机前汽缸(见图1)为铸件,前汽缸与前轴承座是通过下半的半圆坡口焊接连接,并且该工件总长有2m,内径最小处仅有φ 235mm,加工空间很小,而且轴承座各档内圆的尺寸精度要求很高,对于加工及检验测量是一个很大的挑战。

2. 加工难点分析
在图样的消化过程中,我们发现了在加工时可能出现的问题与难点如下:
(1)前汽缸与前轴承座通过下半的半圆坡口焊接连接,如何保证焊接精度?如何控制焊接变形量?
(2)前汽缸与前轴承座焊接完后整体工件长度有2m,其中前汽封最小内圆只有φ235mm, 而轴承档部分要将车刀穿过最小内圆来加工,轴承档最大内圆为φ359mm,造成了“口小肚子大”的情况,而且轴承档内各尺寸精度要求很高,公差最小处仅为0.03mm。如何装夹、如何对刀、如何测量以及如何避免加工干涉是加工难点。
3. 控制焊接变形量
该汽缸毛坯为5个部分:前汽缸体上半、前汽缸体下半、前轴承座下半、前轴承盖和前轴承座盖。我们将前汽缸体上、下半分为一组,前轴承座下半、前轴承盖和前轴承座盖分为一组,分别进行粗加工。
粗加工过程中首先要面对的难点是前汽缸与前轴承座通过下半的半圆坡口焊接连接,通过对图样的分析,我们找出了焊接过程中可能发生的偏差:一种为汽缸体与轴承做下半中分面由于搭焊定位不准或者焊接收缩变形产生一个夹角(见图2),一种为汽缸体与轴承座下半轴线发生偏移(见图3)。而这两种偏差肯定是同时存在的,总结起来就是不同轴。如何控制焊接后同轴度是粗加工攻关必须要解决的难点。为了消除以上两种偏差,关键在于在粗加工时,要将搭焊的定位基准加工准确,我们特别重视了焊接坡口处2mm定位半圆面的加工,在加工前汽缸体下半及前轴承座下半时,对该坡口采用同一加工状态及加工程序,保证该处的加工精度,保证搭焊前该基准准确一致。其余各档都放了5mm加工余量。

在搭焊前,按图4所示将汽缸体及轴承座下半水平中分面向下放置于等高块上,保证两工件水平中分面共面,再将两工件坡口处2mm半圆对齐,调整工件,保证坡口端面间距2mm,再用2mm 塞尺检查该间距。然后在汽缸体及轴承座下半底部用多根支撑棒焊牢,这样能控制最终半圆坡口的变形量,焊牢后将工件翻身,复测坡口间隙及各档同轴度, 偏差不超过1mm,在余量允许的范围内。

最后将半圆坡口烧焊完成,通过龙门铣用3D寻边仪测量, 平面度跳动2.7mm,轴向偏差2mm,内圆不同轴度1.2mm。而粗加工各处所放余量为5mm,由此说明该工件焊接变形量被很好地控制在余量范围内。
4. 保证加工精度
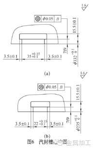
工件的装夹如图5a所示,不仅能保证系统刚性,而且能控制装夹变形。加工汽缸体各档隔板槽时,机床的φ 300mm滑枕直径和行程就可以满足。但是在加工汽缸体汽封槽及轴承座各档时, 由于汽封档最小内圆直径只有235mm,只能使用小直径的加长刀杆。目前立车配有最长的刀杆直径为100mm,总长800mm,下端刀夹尺寸为110mm×110mm。通过理论计算,在车轴承档时, 所需要的最大X 向进给深度为62mm,该长刀杆的最大进给深度为120mm,X向满足加工要求。在加工到前汽封四处沟槽(见图6)时, 我们发现了问题, 其中35mm宽槽的内圆为φ 332mm,22mm宽槽的内圆为φ 235mm,在内圆很小的情况下加工沟槽就意味着容屑空间很小,而该工件材料为铸钢件,加工时切屑会缠绕在车刀上,造成车刀的损坏及工件的拉毛,尺寸精度不易控制。


对原有的沟槽车刀进行改进,将刀具前角及断屑槽设计成10mm宽的半圆形,导屑方向为沟槽外侧, 并适当增大刀具前角, 减小切削力, 减小刀具后角,加强刀具刚性,保证良好的断屑和排屑性能。关键的加工难点是前轴承座盖与前汽缸上半的间隙只有57.8mm(见图7),无法观测到加工情况及对刀,好在前轴承座盖与轴承座只有一段φ334mm内圆及宽10mm、深φ359mm槽需要加工,加工完该处拆除轴承座盖(见图8)就可以留出155mm 的空间供观察测量及换刀对刀了,而轴承档内部尺寸的测量只能等到车工序结束后拆去前汽缸上半再进行测量,所以加工轴承档难度很大。通过图9可以看到,支撑轴承档槽直径285mm,公差仅为 -0.08~-0.05mm,表面粗糙度值为Ra=1.6μm,燃机车间立车的重复定位精度为0.026mm,可以说加工该处必须将机床的性能发挥到极致,采取合适的加工方法及刀具也是解决该难点的关键。


如图10所示, 先将前端φ270mm内圆按工艺要求公差控制在0~+0.05mm车出,车出后再用内径千分尺测出实际尺寸。以该内圆的实际尺寸作为基准对刀,保证0.02mm塞尺不通过,以此标准完成对刀。然后用6mm割刀(大前角、小后角、刀尖半径小的防振割刀)在φ 285mm内圆处车一段退刀槽,槽底留0.05~0.1mm余量,再用某款进口35° 菱形车刀将轴承档槽底加工出来,最后留0.05~0.1mm余量将整个槽反车出来,该刀片的刀尖圆弧为R0.4mm,有精加工的断屑槽,切削力小,振动小,能保证加工的稳定性,从而使工件尺寸精度、表面粗糙度值达到设计要求。

最终汽封档及轴承档加工效果如图11所示,各档尺寸经过检验都符合图样设计要求。

5. 结语
此次攻关成功标志着我公司在工业汽轮机的加工能力上又上了一层新台阶,为今后同类型汽缸的加工积累了经验。
-End-
☞来源:金属加工原创,转载请注明。作者: 南京汽轮电机(集团)有限责任公司孙克强、柳政等,原文刊载于《金属加工(冷加工)》2015年第14期。☞本文编辑:清荷☞媒体合作: 010-88379864
声明:本文所用视频、图片、文字如涉及作品版权问题,请第一时间告知,我们将根据您提供的证明材料确认版权并按国家标准支付稿酬或立即删除内容!
防呆法及十大原理
(☞点击下载)